产品介绍
咨询服务热线:13957717877
产品概述
资料下载
相关产品
相关资讯

GPS8-18型双电源自动转换开关兼顾实用性与便捷性,参数可灵活调节,监测精准,安装简单,能有效保障负载供电稳定性,
适配不同电压需求,且具备较长使用寿命,满足各类场景的基础供电切换及保护需求。
1. 监测精准可靠:
采用真有效值监测技术,电压、电流测量误差≤1%,能实时捕捉电源状态,及时触发保护机制,避免负载受损。
2. 参数调节灵活:
过压、欠压、过流的动作值及延迟时间均可按需设置,支持1V/0.1A的精细调节,适配不同负载的供电要求。
3. 安装便捷高效:
采用DIN导轨安装方式,符合EN/IEC 60715标准,体积仅82×72×68mm,重量320g,可灵活安装于各类电气控制柜内。
4. 使用寿命较长:
电气寿命达1×10⁴次,机械寿命达1×10⁶次,能长期稳定运行,减少维护频次和成本。
5. 操作简单易懂:
支持手动与自动两种模式,按键操作便捷,参数设置后长按3秒即可保存,60秒无操作自动退出设置模式。
1. 双重保护功能:
同时具备过压、欠压保护和过流保护,可根据设定值自动切断故障电源,避免电压、电流异常对负载造成损坏。
2. 状态清晰可见:
配备数字显示屏和LED指示灯,可实时显示电压、电流值及故障状态,能快速判断产品运行情况和故障类型。
3. 相位选择灵活:
支持L1、L2、L3、AUTO四种优先级相位设置,可自动或手动选择电压正常的相位供电,保障供电连续性。
4. 多延时可调:
支持上电延时、复位延时、切换延时、故障动作延时四种延时设置,延时范围覆盖0s~900s,适配不同场景需求。
5. 防护性能良好:
前面板防护等级达IP40,端子防护等级达IP20,能有效防尘、防异物侵入,适应不同环境使用。
6. 适配范围广泛:
额定工作电流涵盖63A、80A,供电频率适配45~65Hz,电压范围宽,可满足不同场景的供电切换需求。
1. 工业控制场景:
适用于工业自动化设备、精密仪器的供电切换,可避免电压、电流异常导致设备停机或损坏,保障生产连续性。
2. 商业建筑场景:
可用于写字楼、商场等场所的应急供电切换,当主电源出现故障时,自动切换至备用电源,保障照明、监控等设备正常运行。
3. 民用场景:
适配家庭、小型商铺等场所,用于重要电器的供电保护,避免因电压不稳、停电导致电器损坏或使用中断。
4. 通讯设备场景:
可用于小型通讯基站、网络设备的供电切换,保障设备持续稳定运行,避免因供电故障导致通讯中断。
5. 医疗辅助场景:
适用于小型医疗设备的供电保障,通过精准的电压、电流监测和快速切换,为设备稳定运行提供支持(非生命支持类设备)。
6. 新能源配套场景:
可用于小型光伏、储能设备的供电切换,适配不同电压规格,保障电源切换的稳定性和安全性。
GPS8 - | 18 |
GPS8系列 | 设计序号 |
技术参数项 | GPS8-18-110V | GPS8-18-220V |
功能 | 自动转换开关 | |
额定供电电压 | AC110V(L1,L2,L3-N) | AC220V(L1,L2,L3-N) |
额定供电频率 | 45~65Hz | |
工作电压范围 | 70V~400V(L1,L2,L3-N) | 80V-400V(L1,L2,L3-N) |
额定运行电流 | 63A,80A (AC1) | |
负载功耗 | AC max.3VA | |
过电压动作值 | OFF,120V~300V | OFF,230V-300V |
欠电压动作值 | 70V~100V,OFF | 140V-210V,OFF |
过/欠电压动作延时 | 0.1s~10s | |
过电流动作值 | 1A-63A,80A | |
过电流动作延时 | 2s~600s | |
上电延时 | 2~600s | |
复位时间 | 2-900s | |
切换时间 | 0-900s | |
测量误差 | ≤1% | |
电气寿命(AC1) | 1×10⁴ | |
机械寿命 | 1×10⁶ | |
工作温度 | -20°C~+60°C | |
储存温度 | -35°C - +75°C | |
安装方式/DIN导轨 | Din rail EN/IEC 60715 | |
防护等级 | IP40(前面板)/IP20(接线端) | |
工作位置 | 任意 | |
过电压类别 | Ⅲ. | |
污染等级 | 2 | |
尺寸(mm) | 82x72x68 | |
重量(g) | 320 | |

| 可用于手动开启或关闭负载。 | |
| 长按设置键 3 秒进入设置模式,修改设置后,长按 3 秒保存设置。 | |
| 用于设置参数时增大数值。 | |
| 用于设置参数时减小数值。 | |
LED 状态说明 | LED 指示灯:L1/L2/L3 | 指示灯 FLT |
| 该相未被选中 | 电压正常 |
| 该相已被选中 | L1、L2、L3 三相电压均故障 |
| 电压故障恢复延时中 | 触点断开故障 |

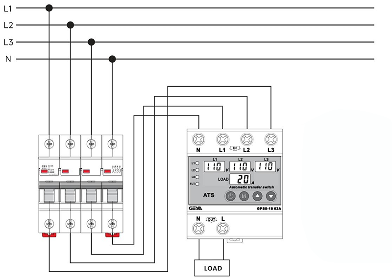
产品接线图

产品接线示例
注意:
本产品不具备隔离功能,维修时请先断开上级断路器!!!
产品的输入为 L1、L2、L3-N,输出为 L-N。
本产品可设置供电优先相,示例如下:若将优先相设为 L1,产品会优先自动选择 L1 相作为供电输入;无论何种情况,只要仅
L1相电压正常,产品便会自动切换至 L1 相供电。若将优先相设为 AUTO(自动模式),产品则会自动选择电压正常的任意一相作
为供电输入。
你可通过以下功能原理图理解本产品的工作逻辑。
故障复位:开启,优先相:L1

故障复位:开启,优先相:自动

故障复位:关闭,优先相:L1

过流故障

Tp:上电延时(2~600 秒)
Tr:复位延时(2~900 秒)
Tu:过 / 欠压故障动作时间(0.1~10 秒)
Tc:过流故障动作时间(2~600 秒)
Ts:切换时间(0~900 秒)
注:当切换时间设为 0 时,实际切换时间约为 0.2 秒。

下一个:GBST-A系列防水配电箱
优惠券
我们的微信
13957717877
13957796089