产品介绍
咨询服务热线:13957717877
产品概述
资料下载
相关产品
相关资讯


GWS9-DW型智能WIFI断路器产品特点: |
1、智能互联,远程掌控 支持手机/Tuya APP远程控制,无论居家或外出,轻触屏幕即可开关电路、定时启停 设备,并支持多设备联动场景(如离家自动断电、归家前远程开启电器)。兼容主流智 能语音助手,实现语音指令操控,让生活更高效。 |
2、精工选材,安全耐用 采用高导电性铜连接器,稳定传输;阻燃PA66外壳耐高温、抗冲击,有效降低 火灾风险;内置高性能芯片模块,响应灵敏且运行稳定。严苛工艺打造,适应频繁操作 与复杂用电环境,持久可靠。 |
3、人性化设计,简约美学 硅橡胶按钮触感柔和,按压反馈清晰,操作舒适省力;外观采用简约流线型设计, 哑光质感搭配隐藏式指示灯,轻松融入现代家居风格,兼顾实用性与装饰性。 |
GWS9-DW型智能WIFI断路器产品应用: |
家庭、办公室、商铺等场景的灯光、插座及电器控制,尤其适合追求智能化生活、 注重用电安全与品质细节的用户。 |

GWS9-W型智能WIFI断路器技术参数:
|
| 产品型号 | GWS9-W | GWS9-DW |
| 额定工作电压范围 | 90V~240V | |
| 数 | 1P+N | |
| 过载电流 | 63A(3~10)s | |
| 额定电流 | 1~40A电流可调 | |
| 通讯方式 | 涂鸦wifi | |
| 工作环境温度 | -25℃~70℃ | |
| 限短路容量 | 500A | |
| 电寿命 | ≥10000 | |
| 机械寿命 | ≥100000 | |
| 关闭时间 | <20ms | |
| 开启时间 | <20ms | |
| 显示屏 | / | 液晶 |
GWS9-W型智能WIFI断路器功能参数:
|
| 序号 | 保护功能 | 跳闸类型 | 参数设置 | 设置 | 出厂默认值 |
| 1 | 过电压保护 | 关闭/报警/跳闸 | 过电压调整 | 250~300V | 280V |
| 过电压延迟 | 0~10s | 3s | |||
| 2 | 欠压保护 | 关闭/报警/跳闸 | 欠压调整 | 80~200V | 165V |
| 欠压延迟 | 0~10s | 3s | |||
| 3 | 过载保护 | 关闭/报警/跳闸 | 过载调整 | 1~63A | 63A |
| 过载延迟 | 3~10s | 3s | |||
| 4 | 高温保护 | 关闭/报警/跳闸 | 高温调节 | 0~120℃ | 80℃ |
| 高温延迟 | 0~10s | 5s | |||
| 5 | 过功率保护 | 关闭/报警/跳闸 | 过功率值 | 50w~11Kw | 关闭 |
| 过功率延迟 | 0~10s | ||||
| 6 | 允许报警 | 关闭/开启 | |||
| 7 | 自动关闭 | 关闭/开启 | 一 | ||
| 8 | 定时控制 | 关闭/设置 | 一 | 一一一 | |
| 9 | 计量预付费 |

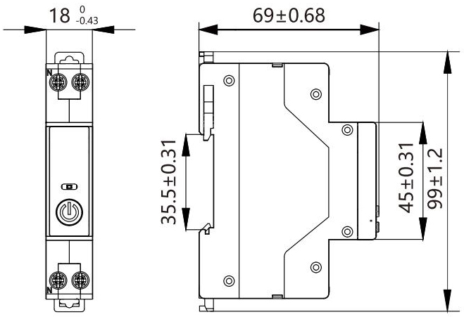
GWS9-DW型智能WIFI断路器产品尺寸: |


GWS9-DW型智能WIFI断路器功能演示: |
优惠券
我们的微信
13957717877
13957796089