产品介绍
咨询服务热线:13957717877
产品概述
资料下载
相关产品
相关资讯


为什么选择GYJ65LE-100型剩余电流动作断路器RCBO? |
GYJ65LE-100型剩余电流动作断路器RCBO集多重保护功能于一体,规格多样且适配 性强,既可以单独使用,也可与CFJ65系列断路器组合安装,组成完善的用电保护系统, 能满足不同场景的用电安全需求,且符合国家相关标准,安全可靠。 |
GYJ65LE-100型剩余电流动作断路器RCBO产品优势: |
1. 多重保护,安全有保障: 不仅能对致命人身触电、线路及设备漏电进行补充保护,还具备过载、短路保护功 能,守护用电安全,避免安全隐患。 |
2. 规格多样,适配性广: 电流规格可选63/80/100/125A,规格可选1P+N/2P/3P/3P+N/4P,可根据不同电 路需求灵活选择,适配多种电压场景。 |
3. 安装灵活,使用便捷: 支持单独使用或与CFJ65系列断路器组合安装,适配导轨安装方式,安装操作简便, 同时可作为线路不频繁通断使用。 |
4. 合规达标,品质可靠: 作为国家产品,严格执行GB/T 14048.2标准,产品性能稳定,符合用电安全相 关规范,保障长期稳定运行。 |
GYJ65LE-100型剩余电流动作断路器RCBO产品特点: |
1. 动作灵敏,响应迅速: 额定漏电动作电流为100mA,不动作电流≤50mA,漏电动作时间≤0.1s,能快速 响应漏电隐患,及时切断电源,减少伤害。 |
2. 适配多种电压,通用性强: 适用于交流电压230V/400V、50Hz的电路,涵盖单相、三相多种供电场景,适配 不同用电环境。 |
3. 结构合理,安装便捷: 采用标准化导轨安装设计,外形尺寸规范,不同规格可对应适配的安装尺寸,便于 配电箱内布局安装,节省空间。 |
4. 功能集成,实用性强: 整合漏电、过载、短路三重保护功能,无需额外搭配其他保护设备,简化用电保护 系统配置,降低使用成本。 |
GYJ65LE-100型剩余电流动作断路器RCBO产品应用: |
1. 现代居家场景: 适配家庭住宅的电路保护,可用于总开关或分路开关,守护家人用电安全,防止家 电漏电、线路过载等隐患。 |
2. 写字楼场景: 适用于写字楼的办公电路,为办公设备、照明线路提供保护,避免因设备漏电、线 路短路影响办公秩序。 |
3. 工厂场景: 适配工厂生产车间的电路系统,应对工业设备的用电需求,防止设备漏电、过载引 发安全事故,保障生产安全。 |
4. 公共场所场景: 可用于商场、超市、医院等公共场所的电路保护,覆盖公共照明、各类用电设备, 守护公众用电安全。 |
5. 照明线路场景: 专门适配各类照明线路,无论是居家、办公还是公共场所的照明电路,均可提供稳 定的保护,避免线路漏电、过载导致的故障。 |

GYJ65LE-100型剩余电流动作断路器RCBO型号说明: | |||||
GYJ | 65 | LE | 100 | 3PN+N | 80 |
↓ | ↓ | ↓ | ↓ | ↓ | ↓ |
企 业 代 号 | 小 型 断 路 器 代 号 | 电 子 式 漏 电 断 路 器 | 壳 架 电 流 | 规 格 : 1P+N 2P 3P 3P+N 4P | 额 定 电 流 |
GYJ65LE-100型剩余电流动作断路器RCBO技术参数: | |||||
1、型号:GYJ65LE-100 | |||||
2、额定工作电压(V):230V、400V | |||||
3、额定工作电流(A):63、80、100、125 | |||||
4、规格:1P+N、2P、3P、3P+N、4P | |||||
5、额定短路分断能力(kA):6 | |||||
6、额定漏电动作电流(mA):100 | |||||
7、额定漏电不动作电流(mA):≤50 | |||||
8、漏电动作时间(s):≤0.1 | |||||
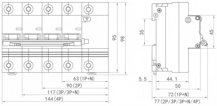
GYJ65LE-100型剩余电流动作断路器RCBO产品尺寸: | |||||
| |||||
优惠券
我们的微信
13957717877
13957796089