产品介绍
咨询服务热线:13957717877
产品概述
资料下载
相关产品
相关资讯


为什么选择GYJ65LE-63/1PN型剩余电流动作断路器RCBO? |
选择GYJ65LE-63/1PN型RCBO,可有效规避人身触电、线路及设备漏电风险,同时 兼顾过载、短路双重保护,无需额外搭配其他保护装置即可实现用电防护。其适配 范围广泛,安装灵活,能满足不同场景的用电安全需求,且符合国家标准,运行稳定可 靠。 |
GYJ65LE-63/1PN型剩余电流动作断路器RCBO产品优势: |
GYJ65LE-63/1PN型RCBO集成漏电、过载、短路三重保护功能,无需复杂组合即可 实现用电防护,简化电路配置。支持单独使用或与CFJ65系列断路器组合安装, 组成完善的用电保护系统,适配性强。电流规格选择丰富,可根据实际用电需求灵活选 用,且分断能力达标,动作响应及时,保障用电安全。具体如下: |
1.三重保护集成,简化电路配置: 集成漏电保护、过载保护、短路保护三大核心功能,无需额外搭配其他保护器件,即 可实现对电路、设备及人身的防护,大幅简化配电系统的电路设计与安装流程, 降低整体配置成本。 |
2.适配性强,安装灵活: 支持单独安装使用,也可与CFJ65系列断路器灵活组合,搭建完善的分级用电保护系 统,适配不同规模、不同类型的配电场景。同时采用标准化设计,可轻松融入现有配电 回路,安装便捷且兼容性高。 |
3.规格齐全,响应及时: 电流规格选择丰富,可根据实际用电负荷灵活选用,适配额定电流至63A的各类电 路。产品分断能力符合国家标准,漏电动作响应灵敏,能在故障发生瞬间快速切断电 路、限度减少触电、设备损坏等安全隐患 |
4.运行稳定,符合标准: 严格执行GB/T 16917.1国家标准,采用电子元件与精密结构设计,抗干扰能力 强,长期运行稳定可靠,可有效避免误动作,保障用电系统的持续正常运行。 |
GYJ65LE-63/1PN型剩余电流动作断路器RCBO产品特点: |
GYJ65LE-63/1PN型RCBO为单路两线电子式漏电断路器,设计紧凑,适配导轨安 装,安装便捷。具备多种脱扣形式可选,可匹配不同电路的保护需求,漏电动作灵敏, 能快速切断故障电路,减少安全隐患。可作为线路不频繁通断器件,兼具保护与控制功 能,符合国家相关安全标准,性能稳定。具体表现为: |
1.结构紧凑,安装便捷: 采用单路两线电子式设计,体积小巧,节省配电箱体空间,适配标准导轨安装,安装 过程简单高效,可快速完成装配,降低安装人员的操作难度。 |
2.脱扣形式多样,适配性广: 具备多种脱扣形式可供选择,可根据不同电路的保护需求灵活搭配,既能满足常规照 明、插座电路的保护需求,也能适配部分小型动力设备的电路防护,适用场景更广泛。 |
3.动作灵敏,防护精准: 漏电动作灵敏度高,能精准识别电路中的剩余电流异常,快速触发脱扣机制切断故障 电路,有效防范人身触电及设备漏电损坏风险,保护更精准、更可靠。 |
4.一物多用,兼具控制与保护: 不仅具备完善的保护功能,还可作为线路不频繁通断器件使用,兼具控制与保护双重 作用,无需额外配置通断开关,进一步简化电路结构,提升使用便利性。 |
5.标准化生产,品质可控: 按照国家相关安全标准规范化生产,每台产品均经过严格检测,性能稳定,质量可 靠,可长期适应不同环境下的用电防护需求,使用寿命长。 |
GYJ65LE-63/1PN型剩余电流动作断路器RCBO产品应用: |
GYJ65LE-63/1PN型RCBO广泛应用于现代居家、写字楼、工厂、公共场所等各类场 景,可用于照明线路及各类用电设备的电路保护,能有效守护人身及设备安全,为家庭、 商业及工业场所提供可靠的用电防护保障,适配多种接地型式的配电系统。具体应用场 景如下: |
1.居家用电场景:适用于家庭住宅的配电箱,可用于客厅、卧室、厨房、卫生间等区 域的照明线路、插座回路及各类家用电器(如空调、冰箱、洗衣机等)的电路保护,有 效防范居家用电中的触电、漏电风险,守护家人用电安全。 |
2.商业办公场景:可应用于写字楼、商场、超市、酒店等商业场所,适配办公设备、 照明系统、空调系统、收银设备等各类用电回路的保护,保障商业场所用电稳定,避免 因电路故障影响正常经营。 |
3.工业生产场景:适用于小型工厂、车间、仓库等工业场所,可用于小型动力设备、 生产流水线、照明及辅助用电回路的保护,防范生产过程中因电路故障导致的设备损坏、 生产中断等问题,保障生产安全。 |
4.公共场所场景:可应用于学校、医院、社区服务中心、健身房等公共场所,适配公 共照明、应急照明、公共插座等用电回路的保护,为公众提供安全的用电环境,降低公 共用电安全隐患。 |
5.其他适配场景:适配多种接地型式的配电系统,可根据不同场景的配电需求灵活安 装,也可作为小型配电工程、临时用电场所的电路保护器件,满足多样化的用电防护需 求。 |

GYJ65LE-63/1PN型剩余电流动作断路器RCBO型号说明: | ||||||||
GYJ | 65 | LE | 63 | 1PN | C | 16 | ||
↓ | ↓ | ↓ | ↓ | ↓ | ↓ | ↓ | ||
企 业 代 号 | 小 型 断 路 器 代 号 | 电 子 式 漏 电 断 路 器 | 壳 架 电 流 | 单 路 两 线 | 脱 扣 形 式 | C : 5 ~ 10 In | D : 10 ~ 50 In | 额 定 电 流 |
GYJ65LE-63/1PN型剩余电流动作断路器RCBO技术参数: | ||||||||
1、型号:GYJ65LE-63/1PN | ||||||||
2、额定工作电压(V):230V | ||||||||
3、额定工作电流(A):6、10、16、20、25、32、40、50、63 | ||||||||
4、额定短路分断能力(kA):4 | ||||||||
5、额定漏电动作电流(mA):30 | ||||||||
6、额定漏电不动作电流(mA):≤15 | ||||||||
7、漏电动作时间(s):≤0.1 | ||||||||
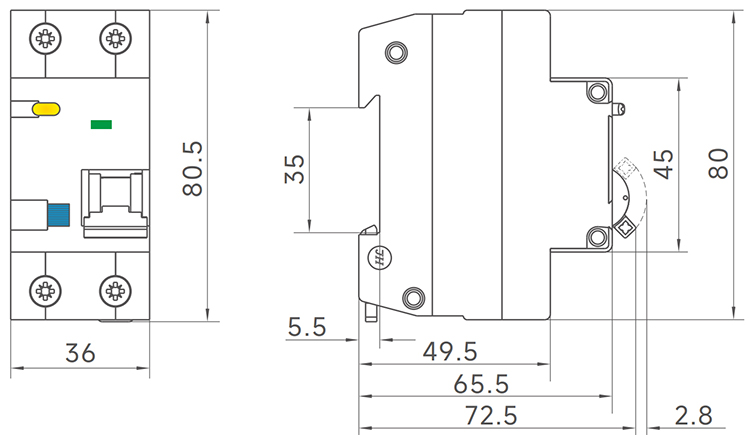
GYJ65LE-63/1PN型剩余电流动作断路器RCBO产品尺寸: | ||||||||
| ||||||||
优惠券
我们的微信
13957717877
13957796089