产品介绍
咨询服务热线:13957717877
产品概述
资料下载
相关产品
相关资讯


为什么选择GRIS8系列隔离继电器? |
GRIS8系列隔离继电器通过提供稳定的电气隔离,可防止干扰与电势差引起的系统故 障,适用于需要高可靠性连接的自动化与安全控制系统。其设计兼顾性能与安装便利性, 能够帮助用户实现安全、稳定的多电路集成与控制。 |
GRIS8系列隔离继电器产品优势: |
1、三重电气隔离:在电源、输入开关与继电器输出之间实现可靠隔离,提升系统抗干扰 能力。 |
2、良好的散热设计:内部采用冗余散热空间结构,有助于维持设备长时间稳定工作。 |
3、多电路兼容:支持不同类型电路之间的隔离与控制,增强系统集成的灵活性。 |
4、一拖多控制能力:单一继电器输出可实现多个负载的集中控制,节省安装空间与配置 成本。 |
5、导轨安装:支持标准导轨安装,便于施工与维护。 |
GRIS8系列隔离继电器产品特点: |
1、高绝缘耐压性能:采用绝缘材料与结构设计,输入、输出及电源间具备良好 的电气隔离强度,有效抑制电势差与干扰传导。 |
2、宽电压适应范围:支持常见的直流与交流控制电压输入,兼容性强,可适应多种工业 现场信号标准。 |
3、长电气寿命与高可靠性:继电器触点采用耐磨材料,在额定负载下具备优异的电气耐 久性,适合频繁开关场合。 |
4、清晰的状态指示:产品通常配备LED指示灯,可直观显示工作状态,便于现场调试与 运维检查。 |
5、紧凑型模块化设计:在有限空间内实现高密度安装,适合对柜内空间有要求的集成化 项目。 |
6、符合多项行业标准:产品设计与测试遵循相关电气安全与工业环境标准,在严苛 环境下稳定工作。 |
7、灵活的接线方式:采用通用螺丝端子或插拔式端子,接线牢固,安装维护简便。 |
GRIS8系列隔离继电器产品应用: |
1、消防安全系统与暖通空调(HVAC)系统的联动接口 |
2、电梯控制与门禁系统的信号隔离与转换 |
3、工业自动化中PLC系统的扩展隔离与控制 |
4、其他需要电路隔离与多负载控制的低压电气场合 |

GRIS8系列隔离继电器型号说明: | ||
GRIS8 | ⬜ | ⬜ |
| GRIS8系列 | 输出触点数量 | 额定控制电源电压 |
01: 1×SPDT 02: 2×SPDT 04: 4×SPDT 08: 8×SPDT | A265:AC85V-265V | |
GRIS8系列隔离继电器技术参数: | ||
型号 | GRIS8-01 | GRIS8-02 | GRIS8-04 | GRIS8-08 |
功能 | 接口/控制继电器 | |||
电源端子 | A1-A2 | |||
电压范围 | AC85-265V 45-65Hz | |||
功耗 | 2.5VA | 3VA | 3.8VA | 5.6VA |
电源指示 | Green LED | |||
隔离电压 | ||||
电源输入至 输入开关 | 4kVAC | |||
电源输入至 继电器输出 | 4kVAC | |||
输入开关至 继电器输出 | 4kVAC | 2.5kVAC | ||
输出 | 1×SPDT | 2×SPDT | 4×SPDT | 8×SPDT |
额定电流 | 10A/AC1 | |||
开关电压 | 250VAC/24VDC | |||
直流Min 分断能力 | 500mW | |||
输出指示 | Red LED | |||
机械寿命 | 1×10⁷ | |||
电气寿命 (AC1) | 1×10⁵ | |||
工作温度 | -20℃~+55℃ | |||
存储温度 | -35℃~+75℃ | |||
过电压类别 | 95%相对湿度(不凝露) | |||
安装方式 /导轨安装 | 符合EN/IEC60715标准的导轨安装 | |||
防护等级 | IP20 | |||
工作位置 | any | |||
湿度 | ⅢI. | |||
污染等级 | 2 | |||
导线截面积 (mm²) | 1×2.5mm²或2×1.5mm²0.4Nm | |||
外形尺寸 | 90×18×64mm | 90×36×64mm | 90×72×64mm | 90×102×6mm |
重量 | 62g | 120g | 170g | 250g |
符合标准 | IEC60947-5-1 | |||

GRIS8系列隔离继电器产品接线: | |
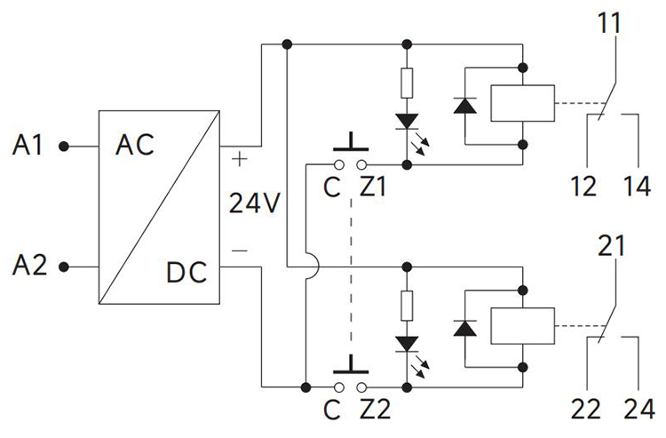
GRIS8-01接线: | |
| |
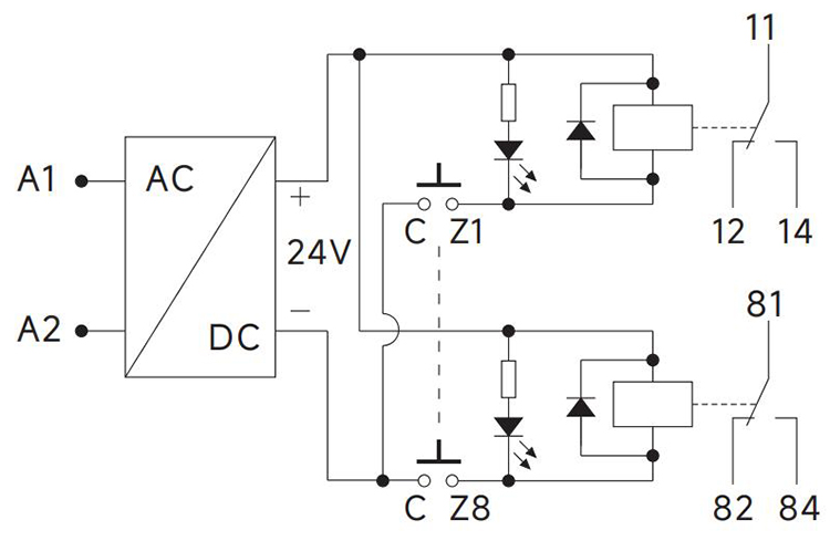
GRIS8-02接线: | |
| |
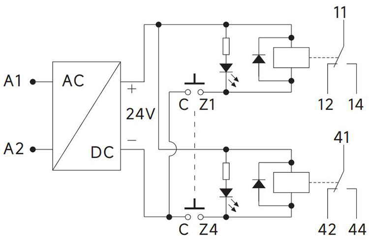
GRIS8-04接线: | |
| |
GRIS8-08接线: | |
| |
GRIS8系列隔离继电器产品尺寸: | |
GRIS8-01尺寸: |
|
| |
GRIS8-02尺寸: | |
| |
GRIS8-04尺寸: |
|
| |
GRIS8-08尺寸: | |
| |
下一个:GRP8型PTC马达保护继电器
优惠券
我们的微信
13957717877
13957796089