产品介绍
咨询服务热线:13957717877
产品概述
资料下载
相关产品
相关资讯


为什么选择GR5-45F大功率新能源系列电磁式透明继电器? |
选择GR5-45F继电器,源于其针对新能源应用的专业设计。产品具备高负载能力和长 寿命,可有效降低总拥有成本;其灵活的安装方式和紧凑结构,便于集成到多种系统中; 同时,优良的环境耐受性和安全性能,使其适用于户外或工业环境。无论是追求可靠性还 是效率,这款产品都能满足用户对大功率继电器的核心需求。 |
GR5-45F大功率新能源系列电磁式透明继电器产品优势: |
1、可靠性与耐用性:长电气和机械寿命减少维护频率,适合高频率操作场景。 |
2、安装便捷:法兰式和螺丝安装方式简化集成过程,提高设备组装效率。 |
3、环境适应性:宽温度范围和抗冲击振动设计,在恶劣环境下稳定运行。 |
4、高效性能:低接触电阻和快速切换时间有助于降低能耗,提升系统整体效率。 |
5、安全隔离:高绝缘等级和耐压测试保障操作安全,减少电气故障风险。 |
GR5-45F大功率新能源系列电磁式透明继电器产品特点: |
1、高负载切换能力:支持40A、50A和60A负载切换,适应大功率应用需求。 |
2、灵活的安装方式:提供法兰式安装和螺丝安装引出端,便于在各种设备中集成。 |
3、优良的电气性能:接触电阻低于100mΩ(在6VDC 1A条件下),吸合时间≤25ms, 释放时间≤15ms,快速响应和低能耗。 |
4、长寿命设计:电气寿命在阻性负载下达10万次以上,机械寿命超过1000万次,提升 设备可靠性。 |
5、高绝缘和耐环境性:同触点间、异触点间及触点与线圈间均通过高压测试(如 1500VAC/1min或2500VAC/1min),绝缘电阻≥100MΩ(500VDC),环境温度范围 -44℃~+55℃,湿度5%~80%RH,并具备耐冲击(加速度980m/s²)和耐振动 (10~55Hz,双振幅1.5mm)能力。 |
6、紧凑轻量化:尺寸为63.2mm×46mm×46mm,重量约105g,节省空间且易于搬运 |
GR5-45F大功率新能源系列电磁式透明继电器产品应用: |
GR5-45F继电器广泛应用于新能源和工业领域,包括: |
1、新能源系统:如太阳能逆变器、风能发电设备中的功率切换和控制。 |
2、电动汽车:用于充电桩和电池管理系统的电气隔离。 |
3、工业自动化:在PLC控制系统、电机驱动和电源管理中提供可靠切换。 |
4、通信设备:适用于基站和电源备份系统,稳定运行。 |
5、家电和消费电子:用于大功率家电的电路控制,提升安全性和寿命。 |

GR5-45F大功率新能源系列电磁式透明继电器型号说明: |
|
1、企业代号:格亚电气 |
2、设计序号 |
3、触点形式:1H=1组常开型;1D=1组常闭型;1Z=1组转换型 |
4、触点负载:40A、50A、60A |
5、线圈电压:DC为直流;AC为交流 |

GR5-45F大功率新能源系列电磁式透明继电器技术参数: |
接触电阻 | 100mΩ以下(在6VDC 1A条件下) |
电气寿命 | 阻性负载,10万次以上 |
机械寿命 | 1000万以上 |
线圈电压 | DC:6-220V AC:6-380V. |
吸合时间 | ≤25ms; |
释放时间 | ≤15ms |
同触点之间 | 1500VAC/1min(漏电流 1mA) |
异触点之间 | 1500VAC/1min(漏电流 1mA) |
触点与线圈间 | 2500VAC/1min(漏电流 1mA) |
绝缘电阻 | ≥100MΩ(500VDC) |
环境温度 | -44℃~+55℃ |
环境湿度 | 5%~80%RH |
大气压力 | 86~106KPa |
耐冲击 | 加速度980m/s2持续时间6ms |
耐振动 | 10~55Hz双振幅:1.5mm |
尺寸 | 63.2X46X46mm |
重量 | 约 105g |

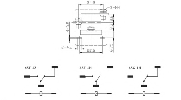
GR5-45F大功率新能源系列电磁式透明继电器产品尺寸: |
|
GR5-45F大功率新能源系列电磁式透明继电器产品接线: |
|
优惠券
我们的微信
13957717877
13957796089