产品介绍
咨询服务热线:13957717877
产品概述
资料下载
相关产品
相关资讯


为什么选择CR系列金属按钮钥匙急停系列按钮信号灯? |
在工业环境中,控制元件的可靠性、安全性和使用寿命至关重要。CR系列产品专为应 对严苛的工业环境而设计,从核心材料到结构细节都体现了对品质的追求。选择CR系列, 意味着为您的设备选择了经久耐用、响应精准且安装便捷的控制部件,有效提升整个系统 的稳定性和安全性。 |
CR系列金属按钮钥匙急停系列按钮信号灯产品优势: |
1、超薄设计与大功率: 产品采用超薄型设计,节省安装空间,同时具备大功率驱动能 力,信号清晰明亮,操作稳定有力。 |
2、金属头部,坚固耐用: 按钮头部关键部件采用高品质金属材料(不锈钢/黄铜镀镍/铝 氧化),提升了产品的抗冲击、抗磨损和抗破坏能力,延长了使用寿命。 |
3、科学结构,美观安全: 结构设计科学合理,外形简洁美观,整体抗破坏性强,能够抵 御日常使用中的意外撞击和油污侵蚀。 |
4、安装便捷,通用性强: 提供16mm、19mm、22mm三种标准安装口尺寸,覆盖主流 安装需求,与大多数控制面板兼容,方便选型与更换。 |
5、操作方式灵活: 支持自复式(按下后自动复位)和自锁式(按下后锁定,再次按下复 位)两种操作类型,可满足不同场景下的控制逻辑需求。 |
CR系列金属按钮钥匙急停系列按钮信号灯产品特点: |
1、高可靠性: 金属材质与严谨工艺了产品在频繁操作下依然能保持稳定的性能。 |
2、出色的安全性: 特别是急停按钮部分,结构可靠,响应迅速,符合紧急停止功能的安 全要求。 |
3、环境适应性强: 金属外壳具有良好的耐腐蚀性,适用于多种复杂的工业环境。 |
4、广泛的适用性: 丰富的类型、操作方式和安装尺寸,使其能够灵活应用于各种自动化 设备和控制系统。 |
CR系列金属按钮钥匙急停系列按钮信号灯产品应用: |
CR系列产品广泛应用于需要精密控制和可靠指示的工业场合,包括但不限于: |
1、工业自动化设备: CNC数控机床、注塑机、包装机械、自动化生产线。 |
2、控制系统柜: 电力控制、过程控制、设备操作台的面板。 |
3、重型机械: 工程机械、纺织机械、食品加工机械。 |
4、其他: 任何对操作元件有高耐用性、高安全性和长寿命要求的工业领域。 |

CR系列金属按钮钥匙急停系列按钮信号灯型号说明: |
安装 直径 | 接线 方式 | 头部 形状 | 开关 组合 | 头部 类型 | 发光 类型 | 发光 颜色 | 带灯 电压 | 外壳 材质 |
| φ6 φ8 φ10 φ12 φ16 φ19 φ22 φ25 φ28 φ30 | A插脚型 B接线柱 | P:平圆形 斜面外壳 G:高平圆形 斜面外壳 Q:球型斜面外 壳 | 1NO-10: (No为常开触头) 11: 为1NO1NC 22: 为2NO2NC | 无:自复 D:带灯 EZ:带灯自锁 Z:自锁 X2:两位旋钮 X3:三位旋钮 Y2:两位钥匙钮 Y3:三位钥匙钮 M:蘑菇钮 ZS:紧急钮 | D:单点 E:环形 DY:电源符号 | ![]() | (AV/DC,V) 6 12 24 220 | S:不锈钢 N:黄铜镀镍 A:铝氧化 |
CR系列金属按钮钥匙急停系列按钮信号灯开关额定负载:
|
项目 | 参数 | |||||
额定绝缘电压Ui | AC250V | |||||
发热电流Ith | 4A | |||||
额定电压(V) | DC6V | DC12V | DC24V | DC36V | DC48V | AC220V |
额定电流(A) | 4 | 3 | 2.5 | 2 | 2 | 3 |
CR系列金属按钮钥匙急停系列按钮信号灯开关结构说明: |
触头示意图 |
|
单组由三只插脚组成,双组由六只插脚组成,单点快动通断触头 |
CR系列金属按钮钥匙急停系列按钮信号灯LED灯珠参数: |
项目 | 参数 | |
灯珠类型 | 高亮度LED灯珠,冷色 | |
额定电压 | AC/DC:6V,12V,24V,220V | |
额定电流 | ≤20mA | |
| 降压方式 | 单色发光内置双电阻降压 | |
单色发光电路图: (不分正负)
| o+是指双色灯公共端,电源为正 , R-是指双色灯电源为负 G-是指双色灯电源为负
注:在电流电压下才可以使用, 高电压为60V 可订制双正双色灯。 | |
参考寿命 | 40000小时(参考值) | |
CR系列金属按钮钥匙急停系列按钮信号灯其他参数: |
项目 | 参数 |
开关型式 | 快动单触点 |
接触电阻 | ≤50mΩ |
绝缘电阻 | ≥1000MΩ |
绝缘强度 | 2000VAC |
环境温度 | -25℃~+55℃ |
电器寿命 | 5万次以上 |
机械寿命 | 50万次以上 |
防水等级 | IP65 |
防爆等级 | lk10(针对金属材质) |
操作压力 | 2.5~4.5N |
操作行程 | 接通约2mm,总行程约3mm |
螺母扭矩 | 5~14N.m |
外壳 | 不锈钢/黄铜镀镍/铝合金氧化/塑料 |
按键 | 不锈钢/黄铜镀镍/铝合金氧化/塑料 |
基座 | 铝氧化 |
触点 | 银合金 |
CR系列金属按钮钥匙急停系列按钮信号灯内部IP防尘、防水结构: |
|
CR系列金属按钮钥匙急停系列按钮信号灯外部O型密封圈安装方法: |
|
CR系列金属按钮钥匙急停系列按钮信号灯实样激光刻穿发光效果图: |
|

CR系列金属按钮钥匙急停系列按钮信号灯产品选型: |
产品图形 | 产品参数 | 外形尺寸图 |
| 产品型号:CR16-11X 安装孔尺寸:φ16mm 开关组合:1NO 1NC/2NO 2NC 操作类型:自复式、自锁式 外壳材料:不锈钢/黄铜镀镍/铝氧化 |
|
| 产品型号:CR16-11Y 安装孔尺寸:φ16mm 开关组合:1NO 1NC/2NO 2NC 操作类型:自复式、自锁式 外壳材料:不锈钢/黄铜镀镍 | ![]() |
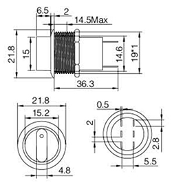
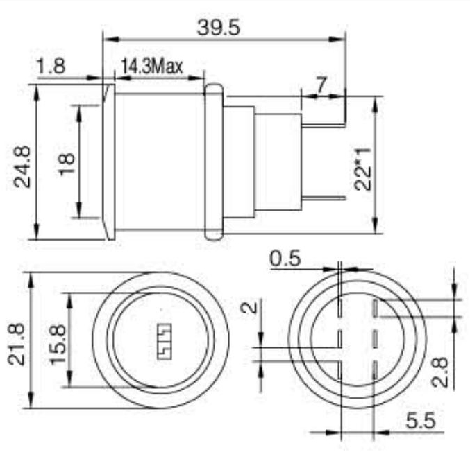
| 产品型号:CR19-11X 安装孔尺寸:φ19mm 开关组合:1NO 1NC/2NO 2NC 操作类型:自复式、自锁式 外壳材料:不锈钢/黄铜镀镍 | ![]() |
| 产品型号:CR19-11Y 安装孔尺寸:φ19mm 开关组合:1NO 1NC/2NO 2NC 操作类型:自复式、自锁式 外壳材料:不锈钢/黄铜镀镍 | ![]() |
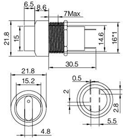
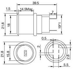
| 产品型号:CR22-11X 安装孔尺寸:φ22mm 开关组合:1NO 1NC/2NO 2NC 操作类型:自复式、自锁式 外壳材料:不锈钢/黄铜镀镍 /铝氧化 |
|
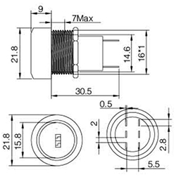
| 产品型号:CR22-11Y 安装孔尺寸:φ22mm 开关组合:1NO 1NC/2NO 2NC 操作类型:自复式、自锁式 外壳材料:不锈钢/黄铜镀镍 |
|
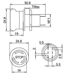
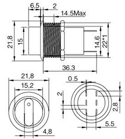
| 产品型号:CR16-11ZS 安装孔尺寸:φ16mm 开关组合:1NO 1NC/2NO 2NC 操作类型:自复式、自锁式 外壳材料:不锈钢/黄铜镀镍 /铝氧化 |
|
| 产品型号:CR19-11ZS 安装孔尺寸:φ19mm 开关组合:1NO 1NC/2NO 2NC 操作类型:自复式、自锁式 外壳材料:不锈钢/黄铜镀镍 /铝氧化 |
|
| 产品型号:CR22-11ZS 安装孔尺寸:φ22mm 开关组合:1NO 1NC/2NO 2NC 操作类型:自复式、自锁式 外壳材料:不锈钢/黄铜镀镍 /铝氧化 |
|
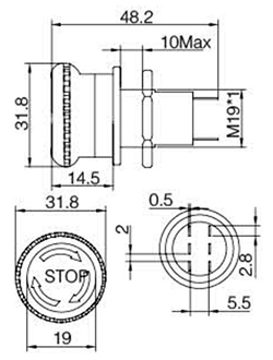
![]() | 产品型号:CRB22-11ZS 安装孔尺寸:φ22mm 开关组合:1NO 1NC/2NO 2NC 操作类型:自复式、自锁式 外壳材料:不锈钢/黄铜镀镍 /铝氧化 |
|
上一个:CR系列金属指示灯
优惠券
我们的微信
13957717877
13957796089